#120 E Bushed QD, 20 Teeth, 120E20H
Item ID: 120E20HT
120 Pitch, E Bushing QD Sprocket, 20 Teeth Hardened
UPS SKU:
Bore:
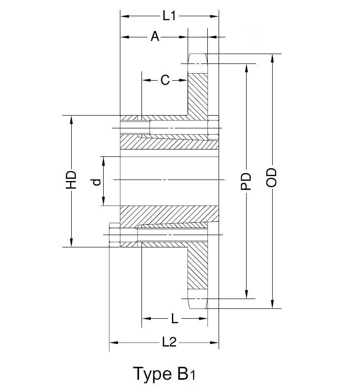
Technical Specification
Part No.: 120E20H
Type: Single Q-bushed
Teeth: 20
Bushing: E
OD: 10.370
PD: 9.589
max bore d: 3-1/2
L1: 2-5/8
L2: 2-15/16
HD: 6
A: 1-9/16
C: 45/64
L: 1-5/8
App Wt with Hub (lbs): 29.20
App Sprocket Wt (lbs): 19.20
#120 E Bushed QD, 20 Teeth, 120E20H is backordered and will ship as soon as it is back in stock.

